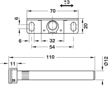
Produktbeskrivelse
Skapestøtte med skruplate, tilt, høyde og sidejustering. Skult montering med utvendig skruefeste, egnet for hyller over 24 mm tykkelse. Leveres med plast-uttakssylinder i sort og justeringsskruer.
Teknisk informasjon:
- Passer til: Hyller ≥24 mm tykke
- Farge/finish: Sinkbelagt
- Design: Skult, utvendig skrufeste med utvalgssylinder (eccentric sleeve, plast, sort)
- Justering:
- Tilt: Justeres med justeringsskruer
- Høyde: Justeres via spor i skruplate
- Side: Justerer med bevegelse i spor ±3 mm




