Artikkelnr. 194K6100E

Monteringsplate Blum Modul For Kjøleskaphengsel

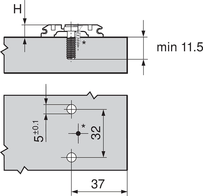
Monteringsplate H0 37 mm modul for kjøleskapshengsel 91K9550 fra Blum.

Produktbeskrivelse

Monteringsplate H0 37 mm modul for kjøleskapshengsel 91K9550 fra Blum.

Teknisk informasjon:
  • Farge: Nikkel
  • Monteringsplatesystem: Modul
  • Materiale: Stål
  • Festemetode: Dübel (skruer inkl.)
  • Avstand fra skapfront til første festeposisjon: 37 mm
  • Diameter hull: 5 mm
  • Boredybde på hull: 11,5 mm
  • Høyde: Standard 0 mm

Tekniske spesifikasjoner

Beholdningskvantumsenhet Stk
Produsentkatalognr. 8618728
Produsent Blum
Integrert Demping No
Farge Nikkel
Boring festeplate 37 mm
Festemetode Dübel
Brukermanual/skisse 2 Last ned